El GRAFCET es un método de descripción de sistemas que permite comenzar por niveles de descripción muy generales (GRAFCET de nivel 1) hasta describir completamente el proceso (GRAFCET de nivel 3). Dentro de esta tendencia a tener varios puntos de vista más o menos detallados, se proponen las macroetapas como representaciones de secuencias que, en conjunto, constituyen una actividad.
Así pues la utilitzación de las macroetapas permite que el GRAFCET representado mantenga un cierto nivel de generalidad y que, cuando convenga, se pueda conocer el detalle de las acciones haciendo una simple expansión de la macroetapa.
En la figura siguiente se ha representado el símbolo de una macroetapa (macroetapa M3). La macroetapa no es una etapa de un GRAFCET ni actua como tal sino que es una representación de un GRAFCET parcial (expansión de la macroetapa) que ha de poderse insertar en substitución de la macroetapa. Una macroetapa está activa cuando lo está una (o más) de les etapas de su expansión.
![]()
La expansión de una macroetapa puede contener etapas iniciales pero ha de ser siempre conexa. La expansión de una macroetapa siempre tendrá una sola etapa de entrada y una sola etapa de salida. La etapa de entrada se activará cuando se active la macroetapa. La activación de la etapa de salida implicará la validación de las transiciones inmediatamente posteriores a la macroetapa.
La transición de salida de la macroetapa puede tener cualquier receptividad pero normalmente será una transición siempre válida (=1) ya que las condiciones correspondientes ya se habrán tenido en cuenta dentro de la macroetapa. En estos casos es habitual representar esta receptividad escribiendo una indicación de fin de la macroetapa que, a efectos booleanos, equivale a una receptividad =1 ya que el fin de la macroetapa es quien valida esta transición.
Para facilitar la comprensión de la representación, las etapas de entrada y de salida de la macroetapa no tendrán acción asociada y la primera transición de la macroetapa será =1.
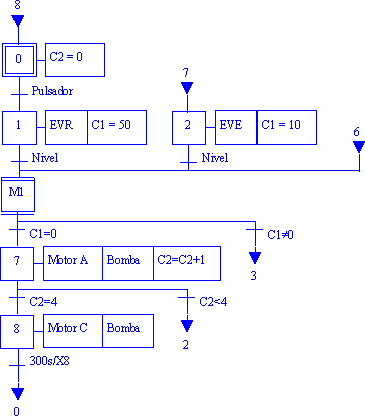
Si recordamos el automatismo de la lavadora que ya habíamos visto, podemos incluir, a título de ejemplo, cada ciclo (Motor A, espera, Motor B, espera) dentro de una macroetapa (M1). A continuación hemos representado el automatismo de esta forma. En este caso la transición de salida de la macroetapa tiene una receptividad booleana (no es =1) ya que coincide con una selección de secuencia.

También podemos incluir dentro de una macroetapa todo el conjunto de ciclos, como hemos hecho en la macroetapa M2 del ejemplo siguiente. En este caso la transición de salida de la macroetapa es =1 ya que las condiciones de final ya están dentro de la macroetapa y no hay ninguna selección de secuencia a la salida.


Esta obra de Oriol Boix está licenciada bajo una licencia no importada Creative Commons Reconocimiento-NoComercial-SinObraDerivada 3.0.